|
|
|
|
| |
產品查詢結果 |
|
|
|
|
管牙尺寸 |
產品型號 |
Cv 值 |
流量孔徑 |
使用壓力 bar |
B 二條出線式接線 |
C 插接端子式接線 |
交流電壓(AC) |
直流電壓(DC) |
|
1/8"
|
LHYS062B
|
LHYS062C
|
0.10
|
1.6
|
7
|
7
|
|
1/8"
|
LHYS063B
|
LHYS063C
|
0.23
|
2.5
|
5
|
5
|
|
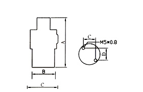
管牙尺寸 |
A |
B |
C |
D |
1/8 |
93 |
Ø30 |
15.2 |
17.8 |
|
  
|
  
|
|
|
|
管牙尺寸 |
產品型號 |
Cv 值 |
流量孔徑 |
使用壓力 bar |
B 二條出線式接線 |
C 插接端子式接線 |
交流電壓(AC) |
直流電壓(DC) |
|
1/4"
|
LHYS082B
|
LHYS082C
|
0.10
|
1.6
|
7
|
7
|
|
1/4"
|
LHYS083B
|
LHYS083C
|
0.23
|
2.5
|
5
|
5
|
|
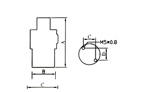
管牙尺寸 |
A |
B |
C |
D |
1/4 |
94 |
Ø35 |
16 |
22 |
|
  
|
  
|
|
|
|
|