|
|
|
|
| |
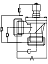
Diaphragm Valves (2 out-Connections type) |
|
|
|
LPDA※※B Series
Inches range:3/8" ~ 3"
In-out let type:Inner pitch for inlet and outlet
|
   |
  |
  |
  |
  |
Model |
LPDA10B |
LPDA15B |
LPDA20B |
LPDA25B |
INCHES |
3/8" |
1/2" |
3/4" |
1" |
ORIFICE |
A |
70 |
70 |
78 |
92 |
B |
60 |
60 |
65 |
80 |
C |
33 |
33 |
43 |
52 |
D |
15 |
15 |
22 |
37 |
E |
47 |
47 |
65 |
65 |
|
   |
  |
  |
  |
  |
Model |
LPDA40B |
LPDA45B |
LPDA50B |
LPDA65B |
INCHES |
1 1/2" |
1 1/2" |
2" |
2 1/2" |
ORIFICE |
A |
130 |
130 |
186 |
186 |
B |
90 |
108 |
145 |
S |
C |
73 |
73 |
103 |
103 |
D |
32 |
32 |
46 |
46 |
E |
65 |
73 |
73 |
73 |
|
   |
  |
Model |
LPDA80B |
INCHES |
3" |
ORIFICE |
A |
228 |
B |
170 |
C |
125 |
D |
55 |
E |
73 |
|
LPDB※※B Series
Inches range:3/4" ~ 1 1/2"
In-out let type:Inlet inner pitch, outlet strap pipe
|
   |
  |
  |
  |
  |
Model |
LPDB20B |
LPDB25B |
LPDB40B |
LPDB45B |
INCHES |
3/4" |
1" |
1 1/2" |
1 1/2" |
ORIFICE |
A |
60 |
98 |
130 |
130 |
B |
87 |
117 |
139 |
157 |
C |
50 |
55 |
73 |
73 |
D |
44 |
73 |
80 |
80 |
E |
65 |
65 |
65 |
73 |
|
LPDC※※B Series
Inches range:3/4" ~ 1 1/2"
In-out let type:Wire plug magnetic valve
|
   |
  |
  |
  |
  |
Model |
LPDC20B |
LPDC25B |
LPDC40B |
LPDC45B |
INCHES |
3/4" |
1" |
1 1/2" |
1 1/2" |
ORIFICE |
A |
103 |
123 |
157 |
157 |
B |
87 |
117 |
139 |
157 |
C |
69 |
80 |
100 |
100 |
D |
44 |
73 |
80 |
80 |
E |
65 |
65 |
65 |
73 |
|
LPDD※※B Series
Inches range:4" ~ 3"
In-out let type:Submerge type
|
   |
  |
  |
  |
  |
Model |
LPDD100B |
LPDD50B |
LPDD65B |
LPDD80B |
INCHES |
4" |
2" |
2 1/2" |
3" |
ORIFICE |
A |
230 |
164 |
164 |
207 |
B |
130 |
116 |
116 |
125 |
C |
290 |
200 |
200 |
249 |
D |
- |
- |
- |
- |
E |
103 |
73 |
73 |
73 |
|
|
|