PLC
Filter Bag
Solenoid Valves
Air Valve
Multi Fuction Controller with LED Display
  Result:    

1/8" Stainless 2/2WAY Normal Closed
Connection
pipe caliber
Model
Cv
Orifice
Diameter
Pressure (bar )
B: 2-out connection type
C: Plug-in type
Voltage(AC)
Voltage(DC)
1/8"
LHCS062B
LHCS062C
0.10
1.6
40
20
1/8"
LHCS063B
LHCS063C
0.23
2.5
25
10
1/8"
LHCS064B
LHCS064C
0.33
3.2
15
8
1/8"
LHCS065B
LHCS065C
0.43
4
7
5
1/8"
LHCS066B
LHCS066C
0.50
5
5
3

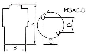
Connection
pipe caliber
A
B
C
D
1/8
69.5
Ø30
15.2
17.8

 
 

1/8" Stainless 2/2WAY Normal Closed
Connection
pipe caliber
Model
Cv
Orifice
Diameter
Pressure (bar )
B: 2-out connection type
C: Plug-in type
Voltage(AC)
Voltage(DC)
1/8"
LHCS067B
LHCS067C
0.10
1.6
10
8
1/8"
LHCS068B
LHCS068C
0.23
2.5
7
5

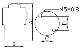
Connection
pipe caliber
A
B
C
D
1/8
Ø25
52
18
-

 
 

1/4" Stainless 2/2WAY Normal Closed
Connection
pipe caliber
Model
Cv
Orifice
Diameter
Pressure (bar )
B: 2-out connection type
C: Plug-in type
Voltage(AC)
Voltage(DC)
1/4"
LHCS082B
LHCS082C
0.10
1.6
40
20
1/4"
LHCS083B
LHCS083C
0.23
2.5
25
10
1/4"
LHCS084B
LHCS084C
0.33
3.2
15
8
1/4"
LHCS085B
LHCS085C
0.43
4
7
5
1/4"
LHCS086B
LHCS086C
0.50
5
5
3

Connection
pipe caliber
A
B
C
D
1/4
71.5
Ø35
16
22