|
|
|
|
| |
Result: |
|
|
|
1/8" Stainless 2/2 WAY Normal Closed |
Connection
pipe caliber |
Model |
Cv |
Orifice
Diameter |
Pressure (bar ) |
B: 2-out connection type |
C: Plug-in type |
Voltage(AC) |
Voltage(DC) |
|
1/8" |
LHOS061B |
LHOS061C |
0.07 |
1.2
|
15 |
15 |
|
1/8" |
LHOS062B |
LHOS062C |
0.10 |
1.6
|
10 |
10 |
|
1/8" |
LHOS063B |
LHOS063C |
0.23 |
2.5
|
7 |
7 |
|
1/8" |
LHOS064B |
LHOS064C |
0.33 |
3.2
|
5 |
5 |
|
1/8" |
LHOS065B |
LHOS065C |
0.43 |
4
|
3 |
3 |
|
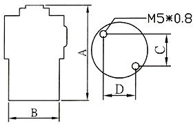
Connection
pipe caliber |
A |
B |
C |
D |
1/8 |
69.5 |
Ø30 |
15.2 |
17.8 |
|
   |
   |
|
|
1/4" Stainless 2/2 WAY Normal Open |
Connection
pipe caliber |
Model |
Cv |
Orifice
Diameter |
Pressure (bar ) |
B: 2-out connection type |
C: Plug-in type |
Voltage(AC) |
Voltage(DC) |
|
1/4" |
LHOS081B |
LHOS081C |
0.07 |
1.2
|
15 |
15 |
|
1/4" |
LHOS082B |
LHOS082C |
0.10 |
1.6
|
10 |
10 |
|
1/4" |
LHOS083B |
LHOS083C |
0.23 |
2.5
|
7 |
7 |
|
1/4" |
LHOS084B |
LHOS084C |
0.33 |
3.2
|
5 |
5 |
|
1/4" |
LHOS085B |
LHOS085C |
0.43 |
4
|
3 |
3 |
|
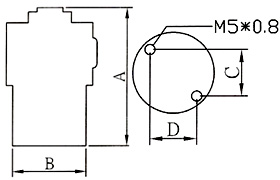
Connection
pipe caliber |
A |
B |
C |
D |
1/4 |
71.5 |
Ø35 |
16 |
22 |
|
   |
   |
|
|
|
|